<
AKM2G 系列
AKM2G 代表了行业优秀的 AKM 系列电机的极高水平
由于电机的尺寸不变但是转矩明显增大,因此 OEM 无需更换电机安装座或者使用更大占地空间便可大幅提升性能。
由于 AKM2G 占地空间较小,但是功率与转矩密度较大,因此可让需要对设备进行“瘦身”的设计师受益匪浅。
- 提供可满足应用与性能要求的多种反馈选件,另外还包括提高功能安全性的选件
- 电机轴、安装座与连接器选件
- 抱闸与温度传感器选件
- 现有的低电压型号将 AKM2G 的优点集于一身,由于功率较高,因此成为了尺寸较小并且能源需求量较低的电机,适合于便携式、移动式与电池供电式应用
面向全球销售的产品
特点
- 用于 120 Vac-480 Vac 工作条件的标准绕组,以及用于 24-96 伏(Vdc 或 Vac)的低电压绕组,具有不同的转速/转矩性能曲线
- 符合应用要求以及适合于所选驱动器的反馈选件
- 科尔摩根 SFD3
- HIPERFACE DSL(支持功能安全性应用)
- EnDat 2.2(支持功能安全性应用)
- 旋变
- 换向编码器为低电压电机的标准选件
- 可通过联合研发提供客户指定的反馈设备
- 连接器选件(适合于反馈类型与电机尺寸)
- SpeedTec (单电缆或双电缆设计的标准)
- ytec(双路连接器,只需使用电机上的一个插孔,适用于 2 号电机)
- 提供可与科尔摩根 AKD2G 伺服驱动器以及 AKD 系列中其他伺服驱动器配套使用的系统电缆选件
- 单电缆 SFD3/HIPERFACE DSL/EnDat 2.2
- 用于旋变的双电缆式产品,包括采用 ytec 连接器的电机与换向编码器
- 标准达到 IP54 等级,如果包含选配轴封,则达到 IP65 等级。可通过联合研发达到其他可选防护等级
- 符合国际标准的安装座,配备各种光轴或闭式键槽
- 可通过联合研发提供其他安装座与电机轴选件
- 24VDC 机械抱闸选件
- 可为电机提供极大保护并且可与伺服驱动器兼容的温度传感器选件
- 适合于湿式与干式运行应用的低摩擦轴封选件
规格
AKM2G 性能数据(按机架尺寸排列)
| AKM2G-2x | AKM2G-3x | AKM2G-4x | |||||||||||
|---|---|---|---|---|---|---|---|---|---|---|---|---|---|
| 参数 | Sym | 单位 | 1 | 2 | 3 | 4 | 1 | 2 | 3 | 1 | 2 | 3 | 4 |
| 失速时连续转矩 | Tc | Nm | 0.65 | 1.12 | 1.51 | 1.85 | 1.70 | 2.90 | 3.86 | 2.87 | 5.12 | 6.98 | 8.51 |
| 额定速度 | Nrtd | rpm | 8000 | 8000 | 8000 | 8000 | 8000 | 7600 | 8000 | 6000 | 6000 | 6000 | 5400 |
| 转子惯量 | Jn | kg-cm2 | 0.0930 | 0.1549 | 0.2169 | 0.2789 | 0.4264 | 0.8130 | 1.200 | 0.774 | 1.36 | 1.95 | 2.53 |
| AKM2G-5x | AKM2G-6x | AKM2G-7x | ||||||||||||
|---|---|---|---|---|---|---|---|---|---|---|---|---|---|---|
| 参数 | Sym | 单位 | 1 | 2 | 3 | 4 | 2 | 3 | 4 | 5 | 1 | 2 | 3 | 4 |
| 失速时连续转矩 | Tc | Nm | 6.83 | 12.0 | 16.2 | 20.1 | 15.3 | 21.5 | 27.0 | 32.7 | 23.0 | 41.1 | 57.8 | 72.1 |
| 额定速度 | Nrtd | rpm | 6000 | 5600 | 5100 | 4800 | 5000 | 4500 | 4200 | 3800 | 4900 | 3400 | 3200 | 3000 |
| 转子惯量 | Jn | kg-cm2 | 2.52 | 4.58 | 6.64 | 8.70 | 9.10 | 13.0 | 16.9 | 20.8 | 25.9 | 46.8 | 67.7 | 88.6 |
显示值为各种型号的代表值。关于确切信息,请参阅《选择指南》、《安装手册》或者 Motioneering 以及/或我们的曲线生成器工具。
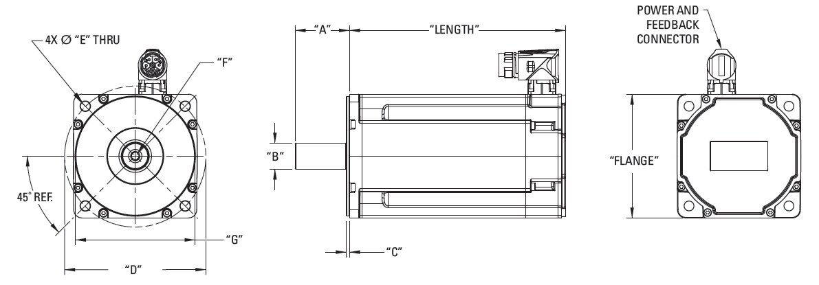
AKM2G 尺寸概况

| AKM2G 系列 | 法兰 IEC | 电机总长度 | A | Ø B | C | Ø D | Ø E | F | Ø G | ||||
|---|---|---|---|---|---|---|---|---|---|---|---|---|---|
| 1 | 2 | 3 | 4 | 5 | |||||||||
| AKM2G2x | 58 | 111 | 130 | 149 | 168 | - | 23.0 | 11.0 | 2.50 | 63.0 | 5.5 | M4 DIN 332 | 40.0 |
| AKM2G3x | 72 | 121 | 153 | 184 | - | - | 30.0 | 14.0 | 2.50 | 75.0 | 5.5 | M5 DIN 332 | 60.0 |
| AKM2G4x | 88 | 125 | 151 | 177 | 203 | - | 40.0 | 19.0 | 3.00 | 100.0 | 6.6 | M6 DIN 332 | 80.0 |
| AKM2G5x | 114 | 143 | 172 | 202 | 231 | - | 50.0 | 24.0 | 3.00 | 130.0 | 9.0 | M8 DIN 332 | 110.0 |
| AKM2G6x | 142 | - | 168 | 190 | 212 | 234 | 58.0 | 32.0 | 3.50 | 165.0 | 10.19 | M12 DIN 332 | 130.0 |
| AKM2G7x | 192 | 169 | 203 | 237 | 271 | - | 80.0 | 38.0 | 4.00 | 215.0 | 13.4 | M12 DIN 332 | 180.0 |
所有值均以毫米表示。所示值为旋变以及连续电流小于 20 安培的与智能反馈 SFD3 电机的标称尺寸。关于公差以及完整尺寸(包括额定连续电流大于 20 安培的其他反馈装置与电机),请见单独的电机示意图。
下载中心
| 文件标题 | 文件语言 | 发布日期 | 共享 URL |
|---|---|---|---|
| AKM2G Installation Manual EN DE IT ES FR RU | English, French, German, Italian, Russian, Spanish | |
共享 URL /sites/default/files/public_downloads/AKM2G%20Installation%20Manual%20EN%20DE%20IT%20SP%20FR%20RU%20REV%20E.pdf |
| AKM2G Part Number Scheme | English | |
共享 URL /sites/default/files/public_downloads/AKM2G-part-number-scheme.pdf |
| AKM2G Performance Curves | English | |
共享 URL /sites/default/files/public_downloads/AKM2G%20Performance%20Curves_0.pdf |
| 科尔摩根AKM2G电机安装手册_EN_2020 | Chinese, Simplified | |
共享 URL /sites/default/files/public_downloads/%E7%A7%91%E5%B0%94%E6%91%A9%E6%A0%B9AKM2G%E7%94%B5%E6%9C%BA%E5%AE%89%E8%A3%85%E6%89%8B%E5%86%8C_EN_2020.pdf |
| 科尔摩根AKM2G电机选型手册_2019__RevE | Chinese, Simplified | |
共享 URL /sites/default/files/public_downloads/%E7%A7%91%E5%B0%94%E6%91%A9%E6%A0%B9AKM2G%E4%BC%BA%E6%9C%8D%E7%94%B5%E6%9C%BA%E9%80%89%E5%9E%8B%E6%8C%87%E5%8D%97_2019_RevE.pdf |
| Kollmorgen 2G Cable Guide | English | |
共享 URL /en-us/products/accessories/cables/literature/kollmorgen-2g-cable-guide |
| 标题 | 语言 | 发布日期 | 共享 URL |
|---|---|---|---|
| Kollmorgen Full-line Catalog | English(英语) | 共享 URL查看 | |
| 2G Motion System Brochure | English(英语) | 共享 URL查看 | |
| 2G 运动控制系统 | Chinese, Simplified(中文) | 共享 URL查看 | |
| AKM2G Low Voltage Selection Guide | English(英语) | 共享 URL查看 | |
| AKM2G Servo Motor Selection Guide | English(英语) | 共享 URL查看 | |
| Kollmorgen 2G Cable Guide | English(英语) | 共享 URL查看 | |
| 科尔摩根2G运动控制系统选型手册 | Chinese, Simplified(中文) | 共享 URL查看 | |
| 科尔摩根AKM2G伺服电机选型指南 | Chinese, Simplified(中文) | 共享 URL查看 |
这些文件涵盖了标准产品系列。如需获取定制产品(即部件编号中包含“S”或“X”的产品)的环境声明,请访问我们的环境合规查询页面。
| 文件标题 | 文件语言 | 发布日期 | 共享 URL |
|---|---|---|---|
| AKM2G - Product Notice on Functional Safety | English | |
共享 URL /sites/default/files/2025-07/TN-975425%20AKM%20family%20Functional%20Safety%20Customer%20Notice%20_%20Rev%20A.pdf |
| AKM2G EU Declaration of Conformity | English | |
共享 URL /sites/default/files/public_downloads/AKM2G_CE_20June19.pdf |
| AKM2G EU RoHS Declaration | English | |
共享 URL /sites/default/files/public_downloads/RoHS10W_AKM2G%20standard%20models.pdf |
| AKM2G Product Notice on Functional Safety | English | |
共享 URL /sites/default/files/public_downloads/TN-975425_Product%20Notice%20on%20AKM2G%20Functional%20Safety.pdf |
| AKM2G REACH SVHC Certificate of Compliance | English | |
共享 URL /sites/default/files/public_downloads/REACH_R223_Standard%20AKM2G.pdf |
| AKM2G UKCA Declaration of Conformity | English | |
共享 URL /sites/default/files/2023-12/AKM2G_DoC_UKCA_USA.pdf |
| AKM2G UL Certificate of Compliance | English | |
共享 URL /sites/default/files/public_downloads/AKM2G%20Certificate%20of%20Compliance.pdf |
| CEL China Efficiency Labelling for Servo and Stepper Motors | English | |
共享 URL /sites/default/files/public_downloads/CEL%20Technical%20Notice%20on%20Efficiency%20for%20Servo%20and%20Stepper%20Motors.pdf |
| China Compulsory Product Certification (CCC Technical Notice) | English | |
共享 URL /sites/default/files/2024-01/CCC%20Technical%20Notice%20on%20Scope%20of%20Kollmorgen%20Products.pdf |
| Kollmorgen CE Technical Notice - Servo and Stepper Motors Efficiency | English | |
共享 URL /sites/default/files/public_downloads/Kollmorgen%20CE%20Technical%20Notice%20-%20Servo%20and%20Stepper%20Motors%20Efficiency.pdf |
| 科尔摩根AKM2G电机CE认证 | Chinese, Simplified | |
共享 URL /sites/default/files/public_downloads/%E7%A7%91%E5%B0%94%E6%91%A9%E6%A0%B9AKM2G%E7%94%B5%E6%9C%BACE%E8%AE%A4%E8%AF%81.pdf |
| 科尔摩根AKM2G电机EAC认证 | Chinese, Simplified | |
共享 URL /sites/default/files/public_downloads/%E7%A7%91%E5%B0%94%E6%91%A9%E6%A0%B9AKM2G%E7%94%B5%E6%9C%BAEAC%E8%AE%A4%E8%AF%81.pdf |
| 科尔摩根AKM2G电机UL认证 | Chinese, Simplified | |
共享 URL /sites/default/files/public_downloads/%E7%A7%91%E5%B0%94%E6%91%A9%E6%A0%B9AKM2G%E7%94%B5%E6%9C%BAUL%E8%AE%A4%E8%AF%81.pdf |
该系统中的3D 模型可作为参考信息为您的设计提供指导。如需获得设计工作关键点的最新、最准确的信息,请您进一步咨询科尔摩根运动控制专家。
| 文件标题 | 文件语言 | 发布日期 | 共享 URL |
|---|---|---|---|
| 2D/3D Product Model | Chinese, Simplified | |
共享 URL https://www.kollmorgen.cn/zh-cn/service-and-support/technical/%E6%8A%80%E6%9C%AF%E6%94%AF%E6%8C%81/%E9%A2%84%E8%A7%88%E5%92%8C%E4%B8%8B%E8%BD%BD2D/3D%E6%A8%A1%E5%9E%8B |
"降低伺服电机过载风险:热时间常数在伺服系统选型中的作用
是否忽略了伺服系统选型的关键因素? 了解为什么热时间常数是需要考虑的重要因素。
用于伺服驱动器的伺服电机参数及其正确换算与比较
想要实现所需的机械性能,按照驱动器制造商所规定的正确计量单位使用伺服电机参数十分重要。但是,如果不
能正确地理解电机与驱动器参数细节相关的规定术语、单位、命名法和参数之间的换算方式,那么很可能会使用
错误的单位,进而增加机器设计开发和制造过程的难度。



